| Срок поставки и цена – по запросу |
| Ном. нагрузка вторичной обмотки (по классам точности) | 2.5 ВА / 3.75 ВА |
| Классы точности измер. обмотки | 0.5 S / 0.5 |
| Норма упаковки | Коробка: 36 шт. |
| Коэффициент трансформации | 150 А / 5 А |
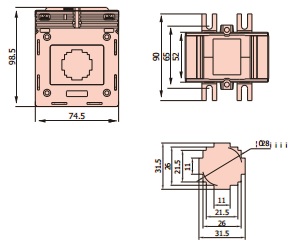
| Размеры | 74.5x52x98.5 мм |
| Номинальное рабочее напряжение | 660 В |
| Максимальное рабочее напряжение | 720 В |
| Номинальная рабочая частота | 50..60 Гц |
| Ном. испытательное напряжение (AC, 1 мин.) | 3 кВ |
| Номинальный первичный ток | 150 А |
| Номинальный вторичный ток | 5 А |
| Ток термической стойкости (I терм.) | 60*I ном [кА] |
| Ток электродинамической стойкости (I дин.) | 2.5*I терм [кА] |
| Коэффициент безопасности | FS5 |
| Рабочая температура | -10..50 °С |
| Монтаж трансформатора | 3-сторонняя база / шина |
Трансформаторы тока серии ABO-30T. Предназначены для преобразования тока и передачи сигнала на измерительные устройства, приборы учета электроэнергии или устройства защиты. Имеют широкий класс точности (3, 1, 0.5, 0.5S, 0.2, 0.2S) и ток первичной обмотки от 5 до 5000 А. Разработаны под два способа монтажа: на 3-сторонней базе или на токоведущей шине.