• CA70/686M016
Срок доставки – по запросу
Цена – по запросу
итого  цена по запросу
ОсобенностиНеполярный
Вес20 г
Допуск20 %
Номинальное напряжение16 В
МонтажAxial
Рабочая температура-55..85 °С
Тангенс угла диэл. потерь0.15
Емкость68 мкФ
Норма упаковкиПакет: 50 шт.
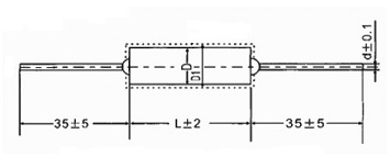
Размеры45x9x9 мм
Минимальный ток утечки1 мкА
Показать остальные свойства..

Танталовые аксиальные неполярные конденсаторы серии CA70. Применяются для полярных преобразований в цепях постоянного тока и импульсных схемах. 

Ранее просмотренные товары