Срок доставки – по запросу | Указанная цена является ориентировочной | 794,78 ₽ от 1 шт. | 748,80 ₽ от 8 шт. | 715,96 ₽ от 16 шт. |
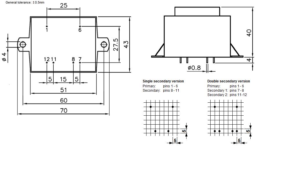
| Размеры | 70x43x40 мм |
| Норма упаковки | Коробка: 4 шт. |
| Первичное напряжение | 230 В |
| Рабочий ток | 660 мА, 660 мА |
| Вторичное напряжение | 9 В, 9 В |
| Мощность | 12 ВА |
| Изоляция | 5 кВ |
| Температурный класс | B (макс. темп. 130°C) |
| Макc. рабочая температура | 40 °С |
| Степень защиты | IP00 |
| Вес | 340 г |
Трансформатор для монтажа на печатную плату. Герметизация эпоксидной смолой; электрическая прочность изоляции 5000 В. Соответствует европейскому стандарту качества EN61558. Применяется в устройствах, выполненных с использованием печатных плат: в компьютерах и их периферии, промышленных контроллерах, телекоммуникационных приборах, медицинском оборудовании, в схемах питания ламп освещения, измерительной технике, бытовых приборах.