| Срок поставки и цена – по запросу |
| Материал феррита | 2300НМ |
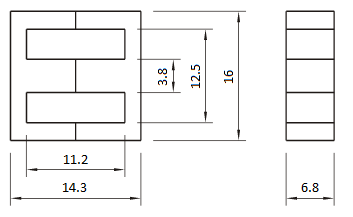
| Высота | 6.8 мм |
| Ширина | 14.3 |
| Коэффициент индуктивного сопротивления (AL) | 1240 нГн |
| Вид сердечника | Ферритовый |
| Вес | 4.1 г |
| Длина | 16 |
| Конфигурация | EE |
| Эффективная длина линий магнитной индукции (Le) | 35.7 мм |
| Эффективный удельный магнитный объем (Ve) | 695.15 мм³ |
| Эффективное магнитное сечение (Ae) | 19.5 мм² |
Ш-образные сердечники применяются в трансформаторах DC-DC преобразователей, в строчных трансформаторах и других устройствах с рабочими частотами 1-100 кГц. Позволяют уменьшить индуктивность рассеивания и снизить потери от собственной емкости.