| Срок поставки и цена – по запросу |
| Материал феррита | P2 |
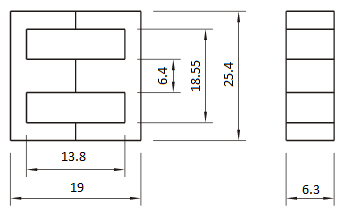
| Высота | 6.3 мм |
| Ширина | 19 |
| Коэффициент индуктивного сопротивления (AL) | 2000 нГн |
| Вид сердечника | Ферритовый |
| Вес | 9.1 г |
| Длина | 25.4 |
| Конфигурация | EE |
| Эффективная длина линий магнитной индукции (Le) | 48.7 мм |
| Эффективный удельный магнитный объем (Ve) | 1940 мм³ |
| Эффективное магнитное сечение (Ae) | 40 мм² |
Ш-образные сердечники применяются в трансформаторах DC-DC преобразователей, в строчных трансформаторах и других устройствах с рабочими частотами 1-100 кГц. Позволяют уменьшить индуктивность рассеивания и снизить потери от собственной емкости.