• HCGF5A/153M5K450G20R
Срок доставки – по запросу
Цена – по запросу
итого  цена по запросу
Допуск20 %
Тангенс угла диэл. потерь0.15
Срок службы5000 ч
Номинальное напряжение450 В
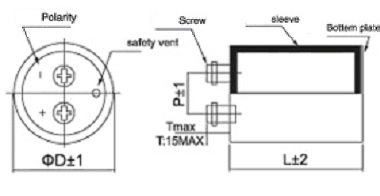
МонтажScrew
Рабочая температура-25..85 °С
Размеры195x101x101 мм
Норма упаковки1 шт.
Емкость15000 мкФ
Ток пульсаций34.2 А
Показать остальные свойства..

Алюминиевые конденсаторы серии HCGF5A с выводами "под винт". Разработаны специально для применения в устройствах, работающих с высоким напряжением. Долговечность 5000 часов при температуре 85°С.

Ранее просмотренные товары