• MHB100-48S24
Срок: 7 дней
Склад: 18 штук
5 766,45 ₽
от 1 шт.
итого  5 766,45 ₽
Срок доставки – по запросу
Цена – по запросу
итого  цена по запросу
Срок доставки – по запросу
Цена – по запросу
итого  цена по запросу
Норма упаковки1 шт.
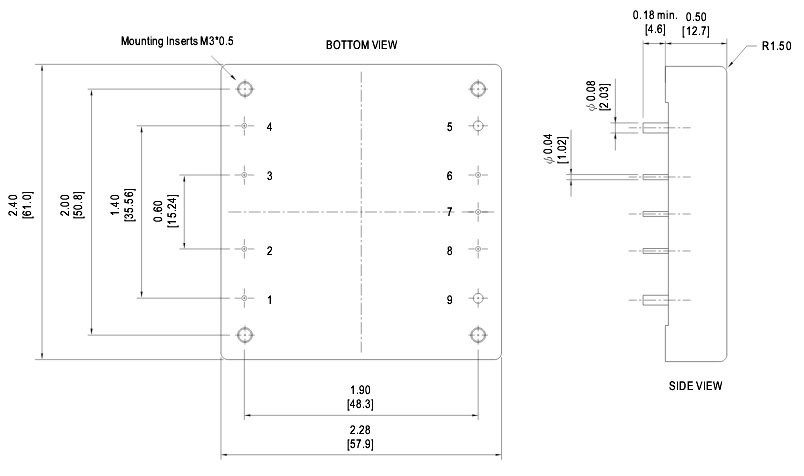
Размеры57.9x61x12.7 мм
Входное напряжение DC36..75 В
Выходное напряжение24 В
Вид монтажаНа печатную плату
Выходной ток4.17 А
Мощность100 Вт
Размах пульсаций240 мВ
Стабилизация выходного напряженияЕсть
Тип выходаОднополярный
Изоляция1.5 кВ
КПД88 %
Тип корпусаDIP
МатериалМеталл
Рабочая температура-40..100 °С
Температура хранения-55..105 °С
Вес95 г
Показать остальные свойства..

Высокоэффективный изолированный DC-DC преобразователь на печатную плату. Номинальная мощность 100 Вт. Широкий входной диапазон. Дистанционное управление включением/выключением. Напряжение изоляции "вход-выход" 1500 VDC. Полная защита от короткого замыкания, от перегрузки, от перенапряжения, от перегрева. Для получения номинальной выходной мощности имеется возможность применить внешний радиатор.

Аналоги

Ранее просмотренные товары