• МТТ300-12
  • МТТ300-12
  • МТТ300-12
Срок поставки и цена – по запросу
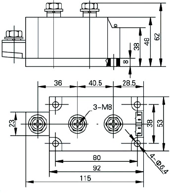
Размеры115x53x62 мм
Максимально допустимый средний ток в открытом состоянии300 А
Ток управляющего электрода на включение200 мА
Ток управляющего электрода на выключение400 мА
Ток удержания открытого состояния100 мА
Напряжение удержания открытого состояния2 В
Вес865 г
Показать остальные свойства..

Силовой тиристорный модуль МТТ представляет собой два мощных тиристора, расположенных в одном корпусе, соединенных по определенной схеме, которые выполняют роль мощных ключей на ток до 300 А.

    Ранее просмотренные товары