| Срок поставки и цена – по запросу |
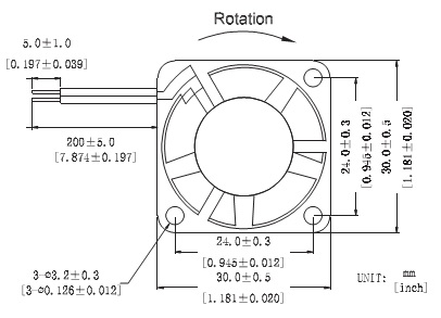
| Размеры | 30x30x10 мм |
| Мощность | 1.56 Вт |
| Рабочее напряжение | 7..14 В |
| Номинальный ток | 130 мА |
| Скорость вращения | 11500 об/мин |
| Объём воздушного потока | 0.22 м³/мин |
| Давление воздушного потока | 9.71 мм вод.ст. |
| Уровень шума | 34 дБ |
| Материал каркаса | Термопластик UL94V-0 |
| Материал крыльчатки | Термопластик UL94V-0 |
| Тип подшипников | Скольжения (долговечные) |
| Вес | 8 г |
| Защита от переполюсовки | Опционально |
| Автоматический перезапуск* | Опционально |
| Генератор частоты* | Опционально |
| Датчик вращения вентилятора* | Опционально - низкое напряжение в выключенном состоянии |
Осевой вентилятор постоянного тока с долговечными подшипниками скольжения.