• HRPG-450-12
  • HRPG-450-12
  • HRPG-450-12
  • HRPG-450-12
  • HRPG-450-12
  • HRPG-450-12
  • HRPG-450-12
  • HRPG-450-12
  • HRPG-450-12
  • HRPG-450-12
  • HRPG-450-12
  • HRPG-450-12
  • HRPG-450-12
Срок: 5 дней
Склад: 8 штук
10 992,11 ₽
от 1 шт.
10 529,26 ₽
от 2 шт.
10 147,57 ₽
от 3 шт.
9 865,33 ₽
от 4 шт.
итого  10 992,11 ₽
Срок доставки – по запросу
Цена – по запросу
итого  цена по запросу
Входное напряжение AC85..264 В
Выходное напряжение12 В, 5 В
Выходной ток37.5 А, 300 мА
Входное напряжение DC120..370 В
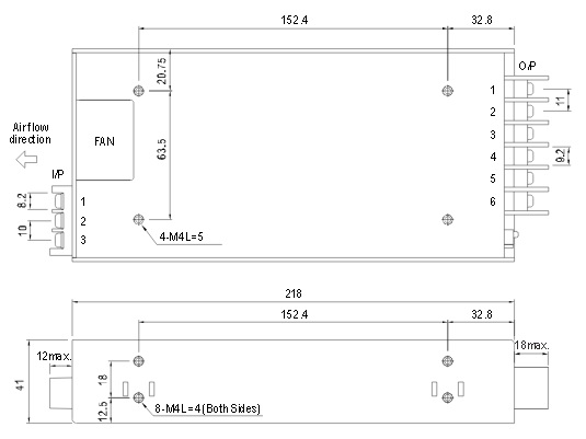
Размеры218x105x41 мм
Норма упаковкиКоробка: 12 шт.
Мощность450 Вт
Рабочая температура-40..70 °С
Стабилизация выходного напряженияЕсть
Размах пульсаций120 мВ
Функция PFC0.95
Тип выходаОднополярный
Изоляция3 кВ
КПД88 %
ОхлаждениеВстроенный вентилятор
Тип корпусаМодуль
МатериалМеталл
Температура хранения-40..85 °С
Вес1.19 кг
Показать остальные свойства..

Высокоэффективный ипульсный AC-DC источник питания, номинальная мощность 450 Вт. Обладает коррекцией коэффициента мощности PFC. Универсальный вход 85-264VAC. Дополнительный выход 5В/0.3А, ограничение тока, сигнал DC OK,  компенсация на проводах. Выдерживает 300VAC входного перенапряжения в течение 5 секунд. Комплекс защит: от перегрузки, от перенапряжения, от короткого замыкания, от перегрева. 

Аналоги