• MES-100/80508010005
Срок поставки и цена – по запросу
Ном. нагрузка вторичной обмотки (по классам точности)15 ВА / 20 ВА
Классы точности измер. обмотки0.5 / 1
Норма упаковкиКоробка: 60 шт.
Коэффициент трансформации1 кА / 5 А
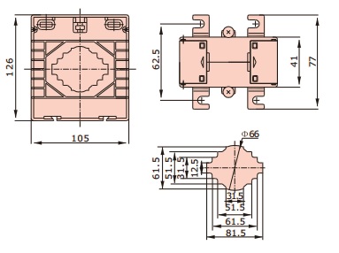
Размеры105x41x126 мм
Номинальное рабочее напряжение660 В
Максимальное рабочее напряжение720 В
Номинальная рабочая частота50..60 Гц
Ном. испытательное напряжение (AC, 1 мин.)3 кВ
Номинальный первичный ток1 кА
Номинальный вторичный ток5 А
Ток термической стойкости (I терм.)60*I ном [кА]
Ток электродинамической стойкости (I дин.)2.5*I терм [кА]
Коэффициент безопасностиFS5
Рабочая температура-10..50 °С
Монтаж трансформатораБаза / DIN-рейка / шина
Показать остальные свойства..

Трансформаторы тока серии MES-100/80. Предназначены для преобразования тока и передачи сигнала на измерительные устройства, приборы учета электроэнергии или устройства защиты. Имеют ток первичной обмотки от 5 до 3000 А. Разработаны под три способа монтажа: на базе, на DIN-рейке или на токоведущей шине.

Аналоги

Ранее просмотренные товары