• ON210-D-68-23
Срок поставки и цена – по запросу
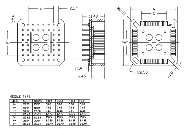
Размеры31.04x31.04x6.45 мм
МатериалСтекловолокно
Материал контактовФосфористая бронза
Покрытие контактаОлово
Количество контактов68
Сопротивление контактов20 мОм
Сопротивление изоляции5 ГОм
Номинальный ток1 А
Рабочая температура-45..110 °С
Показать остальные свойства..

Панель для микросхем, DIP панелька. Возможен также цвет корпуса - коричневый.

Ранее просмотренные товары